| Codice | Misura | Adatto a | LUNGHEZZA | Utà. min. vendita | Pz. Scatola | Pz. Masterbox | EAN | Info. Tecnica |
|---|---|---|---|---|---|---|---|---|
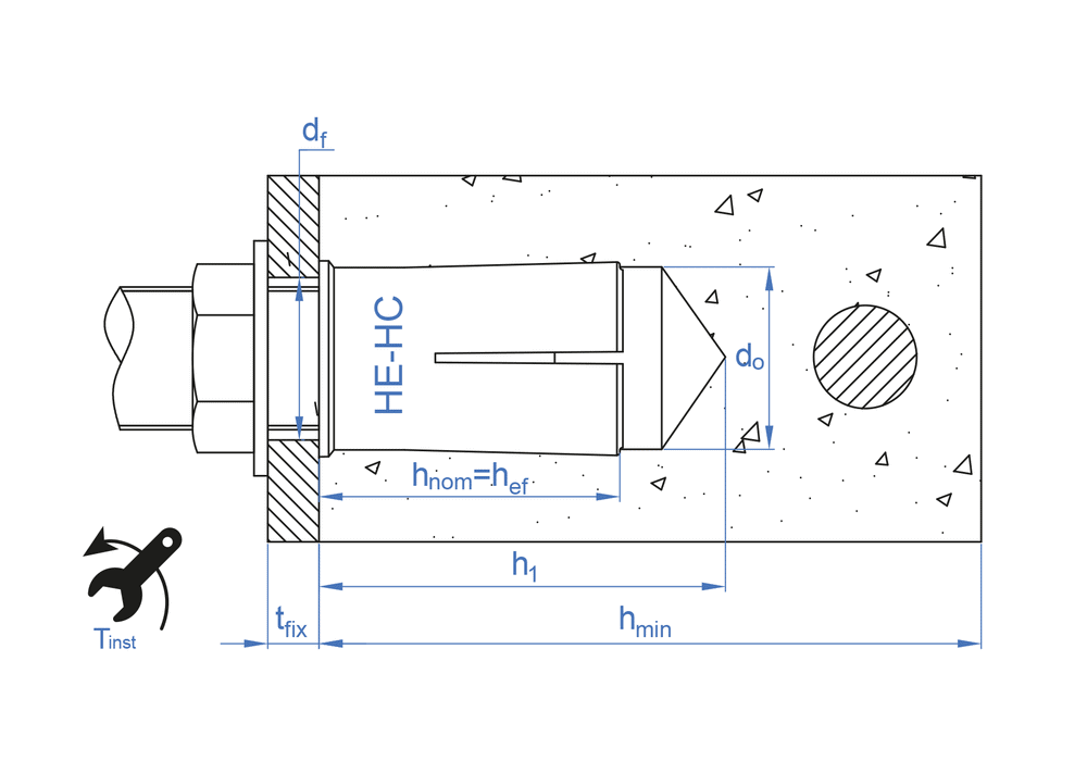
| HEHCM08 | M8 x 25 | 25 | 0 | 100 | 1.600 | 8423533841216 | ||
| HEHCM10 | M10 x 25 | 25 | 0 | 50 | 800 | 8423533841223 | ||
| HEHCM12 | M12 x 25 | 25 | 0 | 50 | 800 | 8423533841230 | ||



Cemento armato
Calcestruzzo
Pietra
Lastra alveolare
Il nostro reparto di ingegneria mette a disposizione corsi formativi specifici e personalizzati su diversi temi relativi al mondo del fissaggio: fissaggi metallici o chimici, sistemi di installazione, normative, esecuzione di calcoli…
La relazione con i nostri clienti non termina con la vendita dei prodotti. INDEX® comprende che in molte occasioni sia necessaria un’assistenza in opera per la quale la nostra esperienza è la migliore alleata affinché tutto sia perfetto. I nostri ingegneri e tecnici assisteranno i responsabili di ciascun progetto nella pianificazione e nella scelta della soluzione migliore al fine di risparmiare tempo e costi nel modo più efficace.
Da INDEX® desideriamo offrire ai nostri clienti il servizio più completo. Oltre a fornire le migliori soluzioni in quanto a fissaggi e ancoraggi, il nostro team di ingegneri specializzati offre consulenza tecnica a tutti i clienti. Inoltre, disponiamo di potenti strumenti software per eseguire i calcoli necessari con estrema precisione.